Submitted:
30 December 2023
Posted:
03 January 2024
You are already at the latest version
Abstract
Keywords:
1. Introduction
2. Literature Review
3. Numerical Study
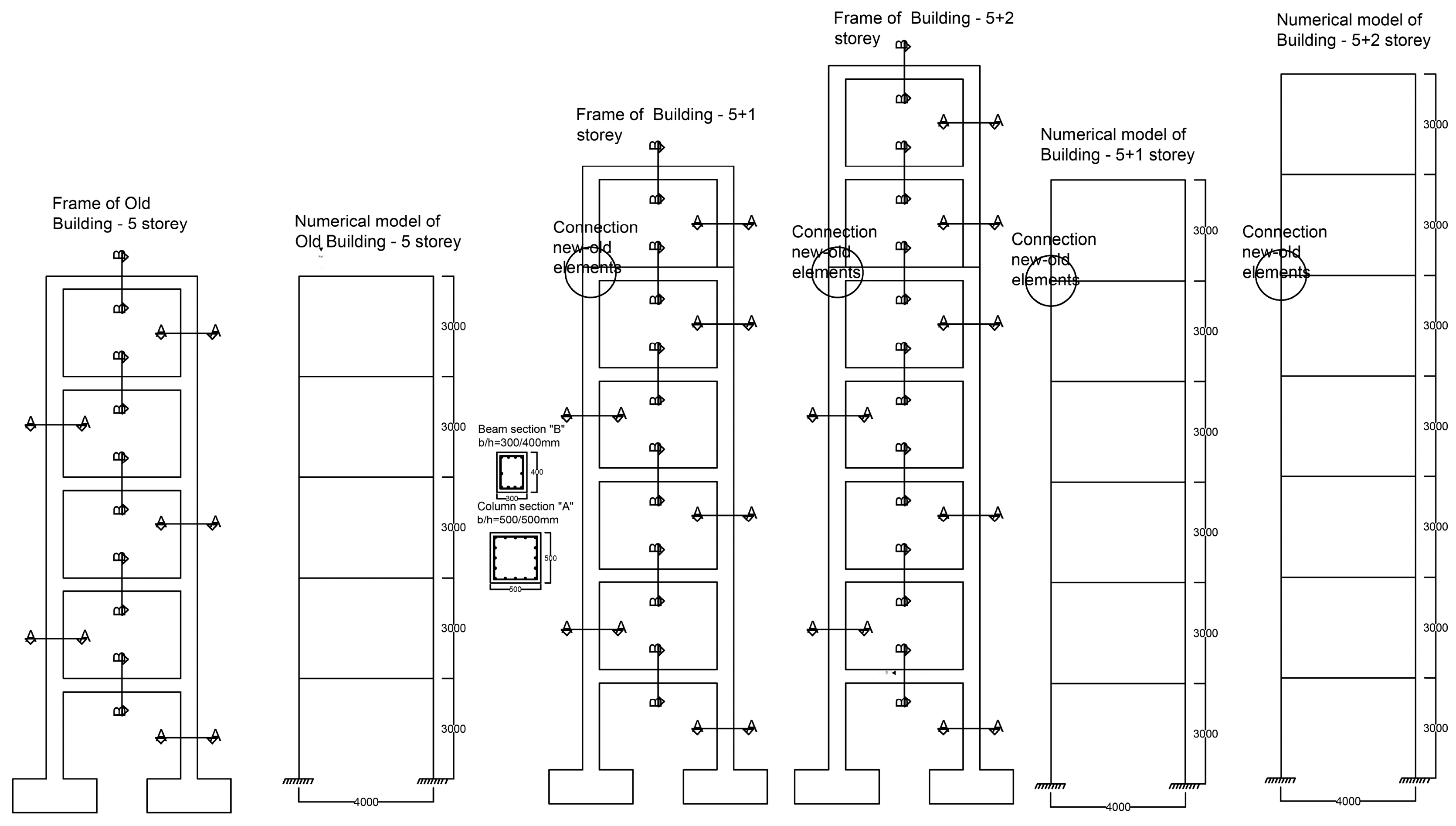
3.1. Model Description
3.2. Old Frame Structure
3.3. Frame Structures with Additional Floors
3.4. Numerical Calculations
4. Discussion of the Results
5. Conclusions
- Conducting experimental studies to determine the stiffness coefficient of the connecting joint.
- Conducting studies to determine the behavior of the structure as a whole under seismic loads.
- Conducting surveys on the behavior of internal forces in joints when the function changes from a cornered or knee joint to an exterior joint.
Author Contributions
Funding
Data Availability Statement
Acknowledgments
Conflicts of Interest
References
- Bahrami, A.; Deniz, S.; Moalin, H. Vertical Extension of a Multi-Storey Reinforced Concrete Building. Int. J. App. Mech. Eng. 2022, 27, 1–20. [Google Scholar] [CrossRef]
- Ross S. Stein and Volkan Sevilgen (2019), Albania earthquake strikes highest-hazard zone in the Balkans, devastating nearby towns, Temblor, http://doi.org/10.32858/temblor.057. [CrossRef]
- Kyakula, M.; Kapasa, S.; Opus, A.E. Considerations in Vertical Extension of Reinforced Concrete Structures. In Proceedings from the International Conference on Advances in Engineering and Technology 2006; Elsevier: Amsterdam, The Netherlands, pp. 109–116; https://doi.org/10.1016/B978-008045312-5/50013-3. [CrossRef]
- Johansson, B.; Thyman, M. Strengthening of Buildings for Storey Extension. Master’s Thesis, Chalmers University of Technology, Göteborg, Sweden, 2013; p. 113. [Google Scholar]
- Task Group 7.3. Seismic Design of Precast Concrete Building Structures—State of Art Report; International Federation for Structural Concrete (fib): Lausanne, Switzerland, 2003; ISSN 1562-3610. ISBN 2-88394-067-3. [Google Scholar]
- Task Group 6.2. Structural Connections for Precast Concrete Buildings—Guide to Good Practice; International Federation for Structural Concrete (fib): Lausanne, Switzerland, 2008; ISBN 978-2-88394-083-3. [Google Scholar]
- Masi, A.; Santarsiero, G.; Verderame, G.; Russo, G.; Martinelli, E.; Pauletta, M.; Cortesia, A. Capacity Models of Beam-Column Joints: Provisions of European and Italian Seismic Codes and Possible Improvements. In Eurocode 8 Perspectives from the Italian Standpoint Workshop; Reluis Italian National Research Project; Doppiavoce: Napoli, Italy, 2009; ISBN 9788889972168. Available online: http://hdl.handle.net/11390/863397 (accessed on).
- Thermou, G.E.; Pantazopoulou, S.J.; Elnashai, A.S. Retrofit Design Methodology for Response Modification of Substandard RC Buildings. In Proceedings of the 2nd fib Congress, Naples, Italy, 5–8 June 2006; Paper No. 950. [Google Scholar]
- Zhulidova, M. Reconstruction of an Existing Building with One Additional Storey. Bachelor’s Thesis, Saimaa University of Applied Sciences Technology, Lappeenranta, Finland, 2019. [Google Scholar]
- Soikkeli, A. Additional floors in old apartment blocks. Energy Procedia 2016, 96, 815–823. [Google Scholar] [CrossRef]
- Sundling, R. A development process for extending buildings vertically–based on a case study of four extended buildings. Constr. Innov. 2019, 19, 367–385. [Google Scholar] [CrossRef]
- Shihoara, H. Quadruple Flexural Resistance in R/C Beam-Column Joints. In Proceedings of the 13th World Conference on Earthquake Engineering, Vancouver, BC, Canada, 1–6 August 2004; Paper No. 491. [Google Scholar]
- EN 1992-1-1:2004; Eurocode 2: Design of Concrete Structures—Part 1-1: General Rules and Rules for Buildings. European Committee for Standardization (CEN): Brussels, Belgium, 2004.
- EN 1998-1:2004; Eurocode 8: Design of Structures for Earthquake Resistance—Part 1: General Rules, Seismic Actions and Rules for Buildings. European Committee for Standardization (CEN): Brussels, Belgium, 2004.
- ACI 550.2R-13; Design Guide for Connections in Precast Jointed Systems: Reported by Joint ACI-ASCE Committee 550. American Concrete Institute: Farmington Hills, MI, USA, 2013; ISBN-13:978-0-87031-812-2, ISBN:0-87031-812-8.
- ACI 318-11; Building Code Requirements for Structural Concrete and Commentary: Reported by ACI Committee 318. American Concrete Institute: Farmington Hills, MI, USA, 2011; Structural Building Codes; ISBN:978-0-87031-744-6.
- ACI 550.1R-01; Emulating Cast in Place Detailing in Precast Concrete Structures: Reported by Joint ACI-ASCE Committee 550. American Concrete Institute: Farmington Hills, MI, USA, 2001.
- Lazarević, D.; Anđelić, M.; Atalić, J. Structural addition design for the Euroherc Building in Zagreb. Građevinar 2011, 63, 1021–1032. [Google Scholar]
- Mazzolani, F.; della Corte, G.; Faggiano, B. Seismic Upgrading of R/C Buildings by means of advanced techniques: The ILVA-IDEM Project. In Proceedings of the 3rd World Conference on Earthquake Engineering, Vancouver, BC, Canada, 1–6 August 2004; Paper No. 2703. [Google Scholar]
- Abdelwahed, B. A review on reinforced concrete beam column joint: Codes, experimental studies, and modeling. J. Eng. Res. 2020, 8, 63–79. [Google Scholar] [CrossRef]
- Shiohara, H. New Model for Joint Shear Failure of R/C Exterior Beam-Column Joints. In Proceedings of the 4th US–Japan Workshop on Performance Based Earthquake Resistant Engineering for RC Structures, Toba, Japan, 22–24 October 2002. [Google Scholar]
- Shiohara, H.; Shin, Y.W. Analysis of Reinforced Concrete Knee Joints Based on Quadruple Flexural Resistance. In Proceedings of the 8th US National Conference on Earthquake Engineering, San Francisco, CA, USA, 18–22 April 2006; Paper No. 1173. [Google Scholar]
- Abdelwahed, B. Numerical analysis of progressive collapse for reinforced concrete frames. Appl. Comput. Mech. 2019, 13, 85–98. [Google Scholar] [CrossRef]
- Abdelwahed, B. Beam-Column Joints Reinforcement Detailing Adequacy in Case of a Corner Column Loss-Numerical Analysis. Lat. Am. J. Solids Struct. 2019, 16, e216. [Google Scholar] [CrossRef]
- Nagaraju, D.; Sai, G.; Akhil, K.; Srikanth, S.; Prasad, T.; Rama, K.; Rao, K. Evaluation of Existing Building for Performance Check if another Floor Is Proposed for Construction. Int. Res. J. Eng. Technol. 2018, 5, 2799–2808. [Google Scholar]
- El-Naqeeb, M.H.; El-Metwally, S.E.; Abdelwahed, B.S. Performance of Exterior Beam-Column Joints with U-Shaped Bars for Different Stirrups Detailing: Numerical Study. Eng. Res. J. 2021, 172, C1–C19. [Google Scholar] [CrossRef]
- Shala, A.; Bleiziffer, J. Analysis of existing reinforced concrete buildings and buildings with additional floors under seismic load. In Proceedings of the Simpozij Doktorskog Studija Građevinarstva, Zagreb, Croatia, 9–10 September 2019. [Google Scholar] [CrossRef]
- Pakhomova, L.; Zhadanovskii, B.; Chernyshov, A.; Iumasheva, A.; Pankova, E. Effectiveness of reconstruction with additional floors for buildings of different construction periods. E3S Web Conf. 2019, 110, 01084. [Google Scholar] [CrossRef]
- De Luca, F.; Verderame, G.M.; Manfredi, G. Eurocode-based seismic assessment of modern heritage RC structures: the case of the Tower of the Nations in Naples (Italy). Eng. Struct. 2014, 74, 96–110. [Google Scholar] [CrossRef]
- Naderpour, H.; Nagai, K. Shear strength estimation of reinforced concrete beam–column sub-assemblages using multiple soft computing techniques. Struct. Des. Tall Spec. Build. 2020, 29, e1730. [Google Scholar] [CrossRef]
- Abdelwahed, B.S.; Kaloop, M.R.; El-Demerdash, W.E. Nonlinear Numerical Assessment of Exterior Beam-Column Connections with Low-Strength Concrete. Buildings 2021, 11, 562. [Google Scholar] [CrossRef]
- Shala, A.; Bleiziffer, J. Assessment, repair, rehabilitation and strengthening of earthquake-damaged buildings. In Proceedings of the 1st Croatian Conference on Earthquake Engineering (1CroCEE), Zagreb, Croatia, 22–24 March 2021; pp. 1685–1690, ISBN 978-953-8168-47-5. [Google Scholar] [CrossRef]
- Sharma, A.; Eligehausen, R.; Hofmann, J. Influence of Joint Modeling on Seismic Evaluation of Non seismically Designed RC Frame Structures. In Proceedings of the 2nd European Conference on Earthquake Engineering and Seismology, Istanbul, Turkey, 25–29 August 2014. [Google Scholar] [CrossRef]
- ACI 562M-13; Code Requirements for Evaluation, Repair, and Rehabilitation of Concrete Buildings (ACI 562M-13) and Commentary, Reported by ACI Committee 562. American Concrete Institute: Farmington Hills, MI, USA, 2013; ISBN-13: 978-0-87031-813-9, ISBN: 0-87031-813-6.
- Sagbas, G. Nonlinear Finite Element Analysis of Beam-Column Subassamblies. Master’s Thesis, Department of Civil Engineering, University of Toronto, Toronto, ON, Canada, 2007. ISBN:9780494400968 049440096X. Available online: https://hdl.handle.net/1807/119245 (accessed on).
- Bayhan, B. Numerical simulation of shaking table tests on 3D reinforced concrete structures. Struct. Eng. Mech. 2013, 48, 151–171. [Google Scholar] [CrossRef]












| Model | No. | Period, T (s) | Frequency, f (Hz) | Mass of Part. Rxm | Mod. Ampl Ux (m) Case Earthq. |
|---|---|---|---|---|---|
| Old frame | 1 | 0.541 | 1.848 | 0.788 | −0.183 |
| 2 | 0.157 | 6.379 | 0.912 | −0.0055 | |
| 3 | 0.077 | 13.061 | 0.965 | 0.0007 | |
| Old frame plus 1 new floor, rigid connection | 1 | 0.666 | 1.501 | 0.785 | −0.2796 |
| 2 | 0.197 | 5.08 | 0.904 | −0.0102 | |
| 3 | 0.0098 | 10.161 | 0.954 | 0.0013 | |
| Old frame plus 1 new floor, hinge connection | 1 | 0.666 | 1.501 | 0.785 | 0.2796 |
| 2 | 0.206 | 4.861 | 0.885 | 0.0103 | |
| 3 | 0.131 | 7.661 | 0.93 | −0.023 | |
| Old frame plus 2 new floors, rigid connection | 1 | 0.794 | 1.259 | 0.783 | −0.3575 |
| 2 | 0.238 | 4.207 | 0.899 | −0.0161 | |
| 3 | 0.121 | 8.25 | 0.946 | −0.022 | |
| Old frame plus 2 new floors, hinge connection | 1 | 0.796 | 1.256 | 0.779 | −0.3573 |
| 2 | 0.263 | 3.806 | 0.876 | −0.0179 | |
| 3 | 0.146 | 6.827 | 0.937 | 0.0039 |
| Model | Period | Node 6—ux (m) | Node 6—uz (m) | Node 13—ux (m) | Node 13—uz (m) | Node 15—ux (m) | Node 15—uz (m) |
|---|---|---|---|---|---|---|---|
| Old frame | T1 | 0.1878 | 0.002 | ||||
| T2 | −0.169 | 0.0059 | |||||
| T3 | −0.124 | 0.0053 | |||||
| Old frame plus 1 new floor, rigid connection | T1 | −0.1538 | 0.002 | −0.1716 | 0.002 | ||
| T2 | −0.0481 | 0.0058 | −0.1608 | 0.0061 | |||
| T3 | 0.0753 | 0.0049 | −0.1317 | 0.0057 | |||
| Old frame plus 1 new floor, hinge connection | T1 | −0.1536 | 0.002 | −0.1718 | 0.002 | ||
| T2 | −0.842 | −0.0045 | 0.1934 | −0.0061 | |||
| T3 | −0.1775 | −0.0003 | 0.1354 | −0.0013 | |||
| Old frame plus 2 new floors, rigid connection | T1 | 0.1277 | −0.0019 | 0.1462 | −0.002 | 0.1589 | −0.002 |
| T2 | 0.0303 | 0.0054 | −0.0697 | −0.006 | −0.1523 | 0.0063 | |
| T3 | −0.1395 | −0.0003 | −0.322 | −0.0053 | 0.1338 | −0.0059 | |
| Old frame plus 2 new floors, hinge connection | T1 | 0.1251 | −0.0019 | 0.1473 | −0.002 | 0.1615 | −0.0021 |
| T2 | 0.0804 | 0.0043 | −0.0697 | 0.006 | −0.17 | 0.0051 | |
| T3 | 0.175 | −0.008 | 0.0219 | 0.0001 | −0.0902 | 0.0005 |
| Model | ag, Node 6 (m/s2) | ag, Node 13 (m/s2) | ag, Node 15 (m/s2) |
|---|---|---|---|
| Old frame | 0.499 | ||
| Old frame plus 1 new floor, rigid connection | 0.399 | 0.473 | |
| Old frame plus 1 new floor, hinge connection | 0.405 | 0.479 | |
| Old frame plus 2 new floors, rigid connection | 0.308 | 0.34 | 0.41 |
| Old frame plus 2 new floors, hinge connection | 0.325 | 0.344 | 0.411 |
| Model | Forces | Node 6 over Column | Node 6 under Column | Node 6 Beam | Node 13 over Column | Node 13 under Column | Node 13 Beam | Node 15 under Column | Node 15 Beam |
|---|---|---|---|---|---|---|---|---|---|
| Old frame | M (kN/m) + | 120.05 | 30.67 | ||||||
| M (kN/m) − | 30.67 | 120.05 | |||||||
| V (kN) + | 5.219 | −112.678 | |||||||
| V (kN) − | 51.755 | 37.318 | |||||||
| Old frame plus 1 new floor, rigid connection | M (kN/m) + | −13.302 | 126.055 | 77.378 | 120.319 | 30.925 | |||
| M (kN/m) − | 37.286 | 98.621 | 155.62 | 30.925 | 120.319 | ||||
| V (kN) + | 3.648 | 39.995 | −1.639 | 3.648 | −37.187 | ||||
| V (kN) − | 50.309 | 61.334 | 118.246 | 50.309 | 112.809 | ||||
| Old frame plus 1 new floor, hinge connection | M (kN/m) + | 0 | 149.92 | 77.9 | 125.249 | 38.863 | |||
| M (kN/m) − | 0 | 77.899 | 149.92 | 38.863 | 125.249 | ||||
| V (kN) + | 12.954 | 30.598 | −3.043 | 12.954 | −33.97 | ||||
| V (kN) − | 41.75 | 70.106 | 116.953 | 41.75 | 116.026 | ||||
| Old frame plus 2 new floors, rigid connection | M (kN/m) + | 14.766 | 140.781 | 109.175 | -13.635 | 116.917 | 96.929 | 109.626 | 20.253 |
| M (kN/m) − | 51.838 | 101.228 | 185.801 | 36.458 | 88.588 | 145.351 | 20.253 | 109.626 | |
| V (kN) + | 33.118 | 47.756 | 13.746 | 0.209 | 33.118 | −6.928 | 0.209 | −42.528 | |
| V (kN) − | 54.919 | 73.806 | 133.742 | 46.698 | 54.919 | −113.068 | 46.698 | 107.468 | |
| Old frame plus 2 new floors, hinge connection | M (kN/m) + | 0 | 164.431 | 92.517 | −21.26 | 142.378 | 89.252 | 119.299 | 29.543 |
| M (kN/m) − | 0 | 92.517 | 164.431 | 36.079 | 122.492 | 166.477 | 29.543 | 119.299 | |
| V (kN) + | 40.831 | 40.537 | 4.239 | −1.037 | 40.831 | 3.934 | −1.037 | −37.788 | |
| V (kN) − | 47.459 | 79.886 | 124.235 | 47.995 | 47.459 | 123.93 | 47.995 | 112.209 |
Disclaimer/Publisher’s Note: The statements, opinions and data contained in all publications are solely those of the individual author(s) and contributor(s) and not of MDPI and/or the editor(s). MDPI and/or the editor(s) disclaim responsibility for any injury to people or property resulting from any ideas, methods, instructions or products referred to in the content. |
© 2024 by the authors. Licensee MDPI, Basel, Switzerland. This article is an open access article distributed under the terms and conditions of the Creative Commons Attribution (CC BY) license (http://creativecommons.org/licenses/by/4.0/).
